Список форумов Chevy-Niva ФОРУМ ПЕРЕЕХАЛ!
Chevy-Niva
Клуб владельцев и любителей автомобиля Шевроле Нива
 
ГлавнаяГлавная ФорумыФорумы ТемыТемы ФотоальбомФотоальбом ПочтаПочта Chevy-Niva latest topics RSS feedRSS
ПРАВИЛАПРАВИЛА FAQFAQ ПоискПоиск ПользователиПользователи ГруппыГруппы ФлудФлуд
 ВходВход 
Тюнинг, ремонт и сервис Шевроле Нива - Нива777
Личная фотогалерея пользователя 22 RUS
Вы можете просматривать персональные галереи других пользователей по ссылке в их профиле
Личная фотогалерея пользователя 22 RUS
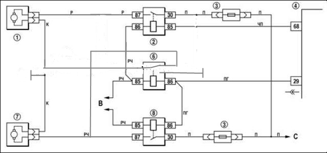
Схема последовательного включения вентиляторов
Название изображения: Последовательное включение вентиляторов
Добавлено: Ср Фев 19, 2014 21:51
Просмотров: 998
Оценка: Оценок нет
Комментарии: 0
Упорядочить по:  :  
   Список форумов Chevy-Niva -> Фотоальбом -> Личная фотогалерея пользователя 22 RUS Часовой пояс: GMT + 4
Страница 1 из 1

Powered by Photo Album Addon 2.0.51 © 2002-2003 Smartor



Powered by phpBB © phpBB Group
Размещение сайта в интернете olven.su