Международный клуб владельцев и любителей Нива Тревел, Легенда, Шевроле Нива и Лада 18+

 




 [ Сообщений: 3 ] 
Автор Сообщение
 
Не в сети
 Заголовок сообщения: Колодка соединительная
Сообщение Добавлено: Сегодня, 17:06  
Участник
Участник

    10
Автор темы
  •  75
  • 46

  •  13 апр 2025, 16:34

Блог: Просмотр записи (0)
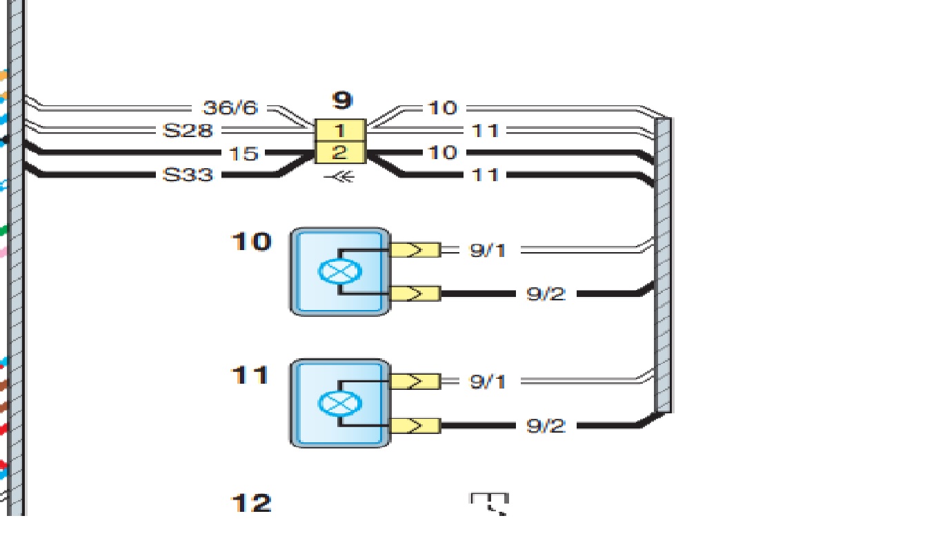
Здравствуйте. Как то можно добраться к этой колодке под №9 не разбирая всю торпеду? Это провода идут на подсветку блока отопителя


Вложения:
контакты.jpg
контакты.jpg [ 108.58 КБ | Просмотров: 49 ]
Вернуться к началу
 Профиль  
 
 
Не в сети
 Заголовок сообщения: Re: Колодка соединительная
Сообщение Добавлено: Сегодня, 19:02  
Старожил
Старожил

    1058
  •  3795
  • 56

  •  23 сен 2017, 19:54

  •  Липецк

Блог: Просмотр записи (0)
@ShNivaR , блок управления отопителем сними и увидишь ее


Вложения:
Screenshot_1.png
Screenshot_1.png [ 252.89 КБ | Просмотров: 30 ]

_________________
RS0Y5-42-02D
Вернуться к началу
 Профиль  
 
 
Не в сети
 Заголовок сообщения: Re: Колодка соединительная
Сообщение Добавлено: Сегодня, 19:56  
Участник
Участник

    10
Автор темы
  •  75
  • 46

  •  13 апр 2025, 16:34

Блог: Просмотр записи (0)
@ShNivaR , блок управления отопителем сними и увидишь ее

но для этого надо тросики снять а их снять надо консоль разобрать, все правильно мыслю?


Вернуться к началу
 Профиль  
 
Показать сообщения за:  Поле сортировки  
Начать новую тему Ответить на тему  [ Сообщений: 3 ] 

 

Кто сейчас на конференции

Сейчас этот форум просматривают: нет зарегистрированных пользователей и гости: 5


Вы не можете начинать темы
Вы не можете отвечать на сообщения
Вы не можете редактировать свои сообщения
Вы не можете удалять свои сообщения
Вы не можете добавлять вложения

Перейти: