Международный клуб владельцев и любителей Нива Тревел, Легенда, Шевроле Нива и Лада 18+

 




 [ Сообщений: 8325 ]  На страницу Пред.    След.
Автор Сообщение
 
Не в сети
 Заголовок сообщения: Re: Обсудим Трэвел?
Сообщение Добавлено: 04 апр 2022, 21:04  
Старожил
Старожил

    1076
  •  3856
  • 57

  •  23 сен 2017, 19:54

  •  Липецк

Блог: Просмотр записи (0)
Петруха писал(а):
Отзывная по учащенному морганию поворотников была или нет?
нет , все в рамках ТУ)))

_________________
RS0Y5-42-02D


Вернуться к началу
 Профиль  
 
 
Не в сети
 Заголовок сообщения: Re: Обсудим Трэвел?
Сообщение Добавлено: 05 апр 2022, 10:38  
Аватара пользователя
Профи
Профи

    4825
  •  7906
  • 41
  •   0

  •  11 сен 2017, 17:20

  •  Пенза

Блог: Просмотр записи (0)
@Петруха , Диоды + некачественное реле, а вообще по моему что-то было про реле поворотов на них...

_________________
Изображение

Автотехцентр "ЮНА" г. Пенза. Проспект победы 96А.
Диагностика , автоэлектрика, чип тюнинг и многое другое!
Запись на диагностику - электрику +7(8412) 211- 799 или +7 967 706 17 99 Евгений.
Запись на слесарные работы +7(8412) 666 - 500


Вернуться к началу
 Профиль  
 
 
Не в сети
 Заголовок сообщения: Re: Обсудим Трэвел?
Сообщение Добавлено: 25 апр 2022, 15:49  
Резидент
Резидент

    50
  •  385
  • 44

  •  24 окт 2020, 10:58

  •  Истра

Блог: Просмотр записи (0)
Не нашел подходящей темы, спрошу тут. На выходных решил заклеить виброй двери изнутри, а потом зашумить карты изнутри. Так вот успел только на пассажирской двери приклеить виброизоляцию, все прикольно, дверь стала глухо закрываться но странно стало запотевать пассажирское окно. Не может быть из за того что я отклеил и выкинул целофан с корпуса двери? Как смог сравнил и вроде справа теперь сильнее холодком дует из под уплотнителя стекла чем слева.


Вернуться к началу
 Профиль  
 
 
Не в сети
 Заголовок сообщения: Re: Обсудим Трэвел?
Сообщение Добавлено: 14 май 2022, 21:23  
Резидент
Резидент

    80
  •  598
  •   0

  •  17 дек 2015, 18:07

Блог: Просмотр записи (0)
Не подскажете что за разъём болтается в левом заднем крыле?
В него входит одинокий провод.
Камера/парктроники работают
Изображение Изображение


И что там на первом фото за шланг с какой-то черной хреновиной посередине???

P.S. Да, все провода и разъёмы просто валяются в крыле никак не закрепленные.
Единственное исключение сделано для проводов аудиоподготовки - они как на шевроле приделаны намертво ультралипким черным скотчем и с первой попытки в темноте их не найти.
P.P.S. Виброизоляция тоже просто валялась в крыле.


Вернуться к началу
 Профиль  
 
 
Не в сети
 Заголовок сообщения: Re: Обсудим Трэвел?
Сообщение Добавлено: 14 май 2022, 23:01  
Старожил
Старожил

    1076
  •  3856
  • 57

  •  23 сен 2017, 19:54

  •  Липецк

Блог: Просмотр записи (0)
И что там на первом фото за шланг с какой-то черной хреновиной посередине???
шланг на омыватель камеры ЗВ

_________________
RS0Y5-42-02D


Вернуться к началу
 Профиль  
 
 
Не в сети
 Заголовок сообщения: Re: Обсудим Трэвел?
Сообщение Добавлено: 15 май 2022, 07:44  
Старожил
Старожил

    1076
  •  3856
  • 57

  •  23 сен 2017, 19:54

  •  Липецк

Блог: Просмотр записи (0)
Не подскажете что за разъём болтается в левом заднем крыле?
В него входит одинокий провод.

написано через Ж..., а по сути сигнал поворота на розетку фаркопа


Вложения:
Screenshot_1.png
Screenshot_1.png [ 356.43 КБ | Просмотров: 752 ]

_________________
RS0Y5-42-02D
Вернуться к началу
 Профиль  
 
 
Не в сети
 Заголовок сообщения: Re: Обсудим Трэвел?
Сообщение Добавлено: 15 май 2022, 09:35  
Резидент
Резидент

    80
  •  598
  •   0

  •  17 дек 2015, 18:07

Блог: Просмотр записи (0)
шланг на омыватель камеры ЗВ

Точно, спасибо! Не привык ещё к этим новществам )

Добавлено спустя 1 минуту 40 секунд:
Не подскажете что за разъём болтается в левом заднем крыле?
В него входит одинокий провод.

написано через Ж..., а по сути сигнал поворота на розетку фаркопа

А для чего он там?
Тем более что для полноценного разъёма туда много чего должно ещё приходить, а фаркопы уже давно штатно не ставят.

P.S. В машине есть штатная проводка на задние динамики.


Вернуться к началу
 Профиль  
 
 
Не в сети
 Заголовок сообщения: Re: Обсудим Трэвел?
Сообщение Добавлено: 15 май 2022, 11:53  
Старожил
Старожил

    1076
  •  3856
  • 57

  •  23 сен 2017, 19:54

  •  Липецк

Блог: Просмотр записи (0)
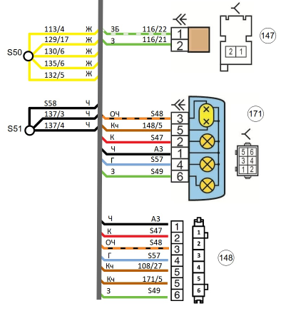
А для чего он там?
Тем более что для полноценного разъёма туда много чего должно ещё приходить, а фаркопы уже давно штатно не ставят.
все остальные провода с правой стороны, позиция №171.
Ранее эти разъемы использовали для подключения обычных задних фонарей, после установки светодиодных задних фонарей в схему добавили для них отдельные разъемы, а эти оставили для возможности подключения розетки фаркопа - как то так...
Кстати штатный фаркоп имел в своем комплекте жгут проводов с разъемами МАМА-ПАПА под задние фонари, что давало с легкостью его подключать к штатной проводке без механического вмешательства самих проводов


Вложения:
Screenshot_1.png
Screenshot_1.png [ 106.33 КБ | Просмотров: 711 ]

_________________
RS0Y5-42-02D
Вернуться к началу
 Профиль  
 
 
Не в сети
 Заголовок сообщения: Re: Обсудим Трэвел?
Сообщение Добавлено: 15 май 2022, 12:24  
Резидент
Резидент

    80
  •  598
  •   0

  •  17 дек 2015, 18:07

Блог: Просмотр записи (0)
У меня на шевик была программа "Каталог Шевроле Нива 1.7 (2.6)" с торрента скачанная где можно было посмотреть все коды деталей - а на travel есть такое?
Найти не могу.


Вернуться к началу
 Профиль  
 
 
Не в сети
 Заголовок сообщения: Re: Обсудим Трэвел?
Сообщение Добавлено: 15 май 2022, 14:53  
Старожил
Старожил

    1076
  •  3856
  • 57

  •  23 сен 2017, 19:54

  •  Липецк

Блог: Просмотр записи (0)
а на travel есть такое?
нет, только онлайн
https://suvparts.ru/lada_niva_travel/travel-21/

_________________
RS0Y5-42-02D


Вернуться к началу
 Профиль  
 
Показать сообщения за:  Поле сортировки  
Начать новую тему Ответить на тему  [ Сообщений: 8325 ]  На страницу Пред.    След.

 

Кто сейчас на конференции

Сейчас этот форум просматривают: нет зарегистрированных пользователей и гости: 7


Вы не можете начинать темы
Вы не можете отвечать на сообщения
Вы не можете редактировать свои сообщения
Вы не можете удалять свои сообщения
Вы не можете добавлять вложения

Перейти: